Litar Kawalan Motor





Litar Utama Dan Litar Kawalan Motor Elektrik

Litar Utama Dan Litar Kawalan Motor Elektrik

Litar Kawalan Motor

Litar Kawalan Motor

Litar Litar Kawalan Motor Components Magnetism

Litar Litar Kawalan Motor Components Magnetism

Litar Utama Dan Litar Kawalan Motor Elektrik

Litar Utama Dan Litar Kawalan Motor Elektrik

Litar Litar Kawalan Motor Components Magnetism

Litar Litar Kawalan Motor Components Magnetism

Litar Litar Kawalan Motor

Litar Litar Kawalan Motor

Litar Litar Kawalan Motor

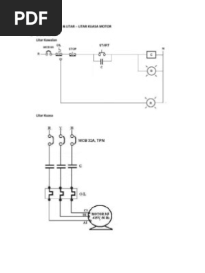
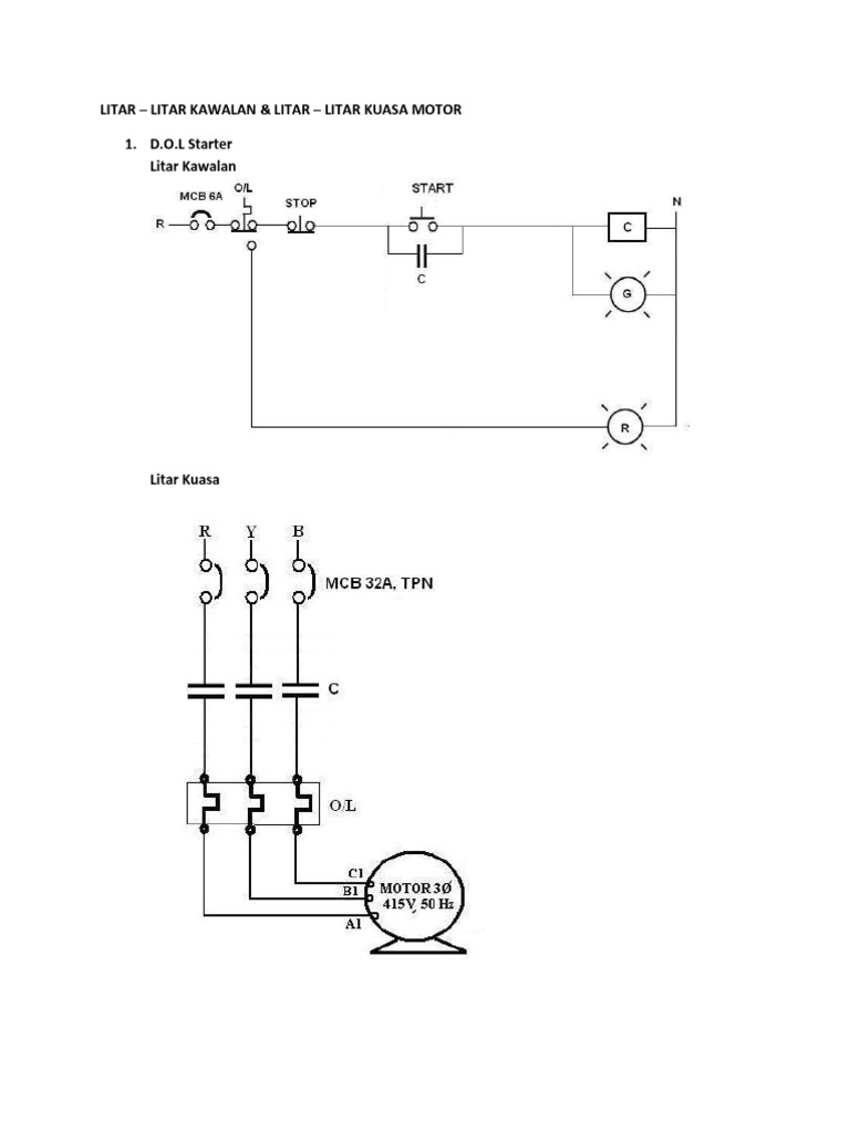
Litar Kawalan Motor Elektrik Dol Atau Penghidup Talian Terus

Litar Kawalan Motor Elektrik Dol Atau Penghidup Talian Terus

Online Notes Modul Litar Kawalan Motor Elektrik Bab 5 Litar

Online Notes Modul Litar Kawalan Motor Elektrik Bab 5 Litar

Litar Kawalan Dan Litar Utama Motor Elektrik Star Delta Nota

Litar Kawalan Dan Litar Utama Motor Elektrik Star Delta Nota

Litar Utama Dan Litar Kawalan Motor Elektrik Pdf Document

Litar Utama Dan Litar Kawalan Motor Elektrik Pdf Document

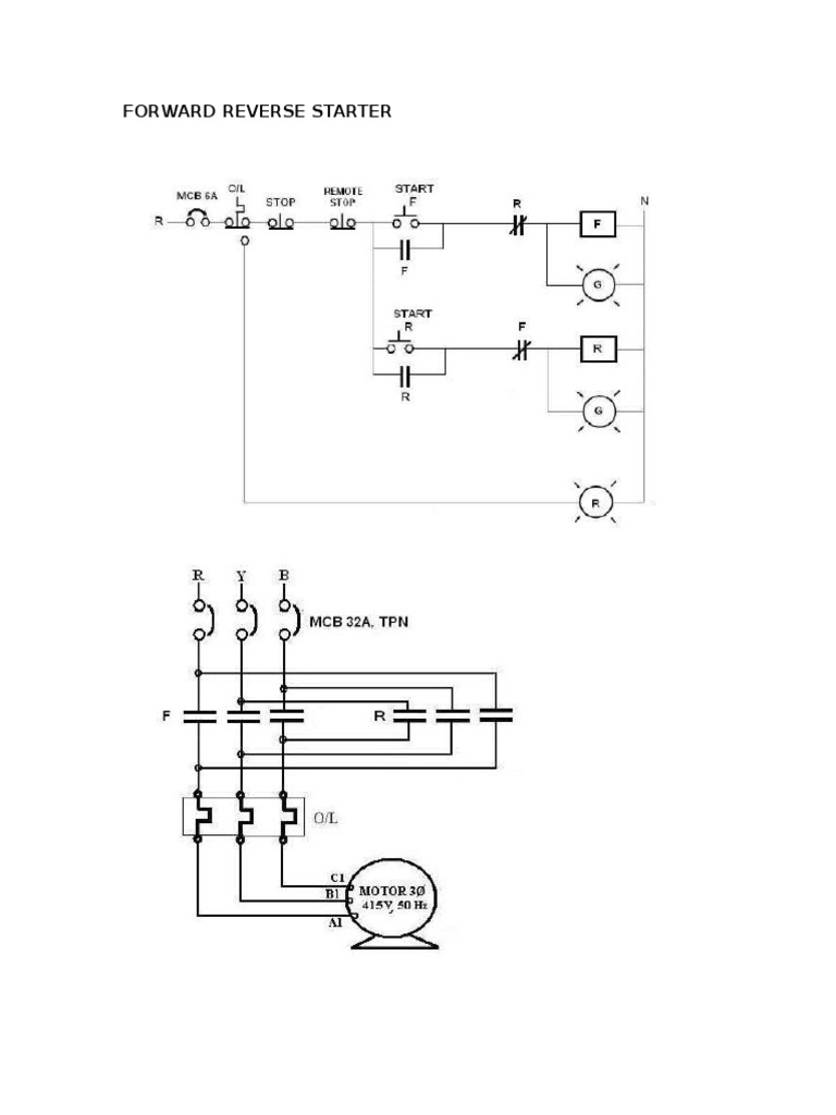
Litar Projek Kawalan Motor Forward Reverse Star Delta

Litar Projek Kawalan Motor Forward Reverse Star Delta

Litar Projek Kawalan Motor Forward Reverse Star Delta

Litar Projek Kawalan Motor Forward Reverse Star Delta

Litar Kawalan Motor Logik Tangga Buku Teks 2020

Litar Kawalan Motor Logik Tangga Buku Teks 2020

Litar Kawalan Lampu Youtube

Litar Kawalan Lampu Youtube

Litar Kawalan Motor Elektrik Mara Songsang Nota Kejuruteraan

Litar Kawalan Motor Elektrik Mara Songsang Nota Kejuruteraan

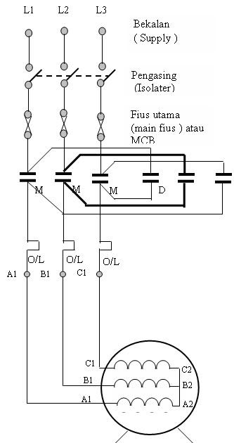
Bab 2 Fungsi Kawalan Motor

Bab 2 Fungsi Kawalan Motor

Blog Amirul Kawalan Motor Dan Penghidup Talian Terus D O L

Blog Amirul Kawalan Motor Dan Penghidup Talian Terus D O L

Maintopik1

Maintopik1

Litar Kawalan Motor Pdf Document

Litar Kawalan Motor Pdf Document

Troubleshooting Control Circuits Basic Control Circuits Electric

Troubleshooting Control Circuits Basic Control Circuits Electric